
Portfolio
Our Work
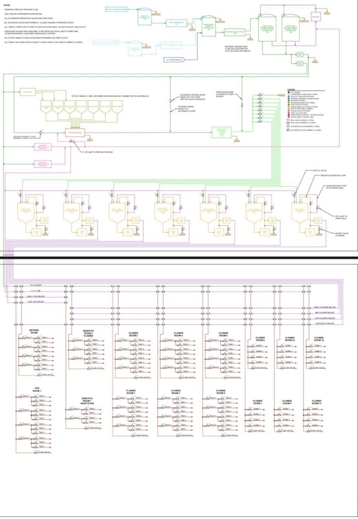
Explore our portfolio of irrigation design projects across commercial cultivation facilities.
Important Disclaimer: The irrigation design services provided by Plumbdawg Design produce process piping drawings, not engineered drawings. These drawings are intended for layout and planning purposes. Any engineering certifications, stamps, or compliance reviews required by local authorities must be obtained separately from a licensed professional engineer.
